配件详情
配件信息
OE:6320328140
商品详情
适配车型
| 品牌 | 车系 | 车型 | 年款 | 排量 | 价格 | 操作 |
|---|
热门商品
-

天窗支架OE:6320328140
¥ 528.00 -

左侧遮阳板OE:83280T6DH92ZA
¥ 165.00 -

中网OE:71121THAH61
¥ 515.00 -

右后门饰板OE:83720THAH41ZB
¥ 476.00 -

前门内饰板(左)OE:83551T6DH21ZB
¥ 330.00 -

后门壳(左)OE:67550THAH10ZZ
¥ 330.00 -

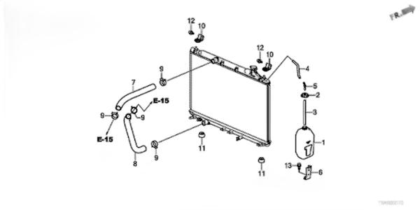
散热器补水壶OE:191015X6J00
¥ 50.00 -

滑动门电机(左)OE:72050T6DH03
¥ 660.00 -

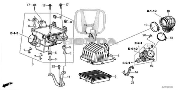
空气滤清器芯OE:172206P7H01
¥ 198.00 -

发动机罩铰链(左)OE:60170S5A000ZZ
¥ 55.00
水阀门 








