配件详情
配件信息
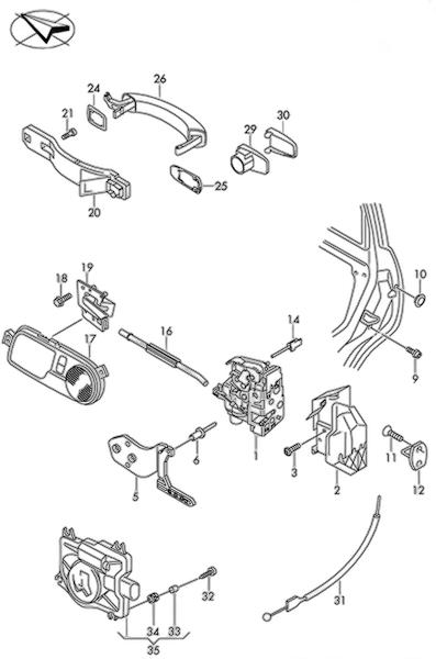
OE:A2208980007
商品详情
适配车型
| 品牌 | 车系 | 车型 | 年款 | 排量 | 价格 | 操作 |
|---|
热门商品
-

壳体备用胎支架(奔驰S级/S级AMG/CL级,Lorinser S级,博速 S级,卡尔森 S级)OE:A2208980007
¥ 139.00 -

空气滤清器出气管IOE:A1560900329
¥ 1188.00 -

空气格总成 右侧OE:4F0133835AC
¥ 159.00 -

车顶流水槽装饰条 右OE:73153TW0H01
¥ 66.00 -

左后门外拉手OE:3D4839205B
¥ 396.00 -

车门窗框挡板(大众Tiguan\途观L)OE:5NA837901C
¥ 99.00 -

侧门槛外板(左)OE:41217240495
¥ 179.00 -

左后视镜OE:51167245503
¥ 753.00 -

前门框密封条(右)OE:51727278503
¥ 72.00 -

前大灯(右)OE:3D1941030B
¥ 1584.00
水阀门 








