极速车服商城
产品
公司
产品
热门搜索:
发动机
、
车轮
、
空调滤芯
、
机油
、
刹车盘
水阀门
前刹车片(套)
汽油过滤器滤芯标准密封
发动机节温器
发动机温控器
倒车镜转向灯(左)
全部历史记录
关闭
登录
注册
购物车
0
全部产品分类
发动机
机体组
曲轴飞轮
活塞连杆
配气系统
冷却系
润滑系
传送带
点火系
进气系统
排气系统
供油系统
启动系统
机体组
发动机总成
发动机悬置
汽缸体
汽缸盖
汽缸垫
汽缸套
齿轮室组
四配套
其他发动机附件
曲轴飞轮
飞轮
飞轮螺栓
飞轮壳
曲轴
曲轴皮带轮
扭振减震器
曲轴油封
曲轴瓦
止推瓦
定位销
正时链轮
曲柄连杆机构附件
活塞连杆
活塞
活塞环
活塞销
连杆
连杆瓦
连杆衬套
连杆轴承
连杆螺栓
连杆螺母
配气系统
气门
气门锁夹
气门导管
气门油封
气门弹簧
气门调整螺栓
凸轮轴
凸轮轴衬套
挺柱
推杆
张紧轮
摇臂
涡轮增压器
配气附件
冷却系
风扇组
散热器
节温器
水泵
冷却系附件
润滑系
机油滤清器
机油泵
机油冷却器
油底壳
机油尺组件
润滑系附件
传送带
正时皮带
发电机皮带
空调皮带
助力泵皮带
平衡轴皮带
水泵皮带
空压机皮带
涨紧轮皮带
汽车时规带
其他传送带
附件皮带
点火系
点火开关
点火线圈
点火信号发生器
点火系附件
分电器
火花塞
阻尼电阻
搭铁线
高压导线
高压点火线
微机控制器
全负荷开关
燃油阻断开关
断电器
进气系统
空气滤清器
空气滤清器壳
滤芯
空气预滤器
空气谐振器
中冷器
中冷器进气管
止回阀
引气管
节气门
进气门
进气管
进气垫
进气门座圈
进气歧管
进气分配器
进气管盖罩
进气通道
进气过渡管
进气调节马达
进气附件
排气系统
排气门
排气门座垫
排气歧管
排气歧管垫
排气摇臂轴
排气管
排气管接口垫
排气管螺栓
排气管弹簧
排气管隔热板
排气系统附件
消声器
三元催化器
EGR阀
EGR冷却器
柴油机微粒过滤器
曲轴箱通风阀
叉形管
连通管
供油系统
喷油器
喷油泵
输油泵
汽油泵
化油器
油水分离器
油气分离器
调速器
燃油滤清器
压力补偿器
喷油提前器
空气流量计
油量控制阀
怠速控制阀
燃油箱
燃油箱盖
燃油箱隔热板
燃油油管
燃油喷射系统
油门踏板
油门拉线
活性炭罐
供油系统附件
启动系统
蓄电池
蓄电池托架
蓄电池盖
发电机
发电机支架
发电机线束
发电机涨紧轮
起动机
起动机支架
起动机继电器
电压调节器
电热塞
预热器
单向离合器
起动系附件
车身
保险杠
翼子板
车身前部
前门及构件
后门及构件
座椅
控制台
雨刷系统
空调系统
行李箱及尾门
车身顶部
侧滑动门及其构件
暖风设备
车身构件
其他附件
保险杠
后保险杠
前保险杠
翼子板
左前翼子板
左前翼子板内衬
右前翼子板
右前翼子板内衬
左后翼子板
右后翼子板
车身前部
中网
发动机罩
前挡玻璃
前机盖锁机
前隔板
前罩板
前围
前内部左侧部件
前内部右侧部件
前门及构件
左前门钣金件
左前门玻璃及其构件
左前门后视镜/下视镜
左前门金属构件
左前门车窗升降器
左前门内饰
左前门外饰
右前门钣金件
右前门玻璃及其构件
右前门后视镜/下视镜
右前门金属构件
右前门车窗升降器
右前门内饰
右前门外饰
后门及构件
左后门钣金件
左后门玻璃及其构件
左后门金属构件
左后门车窗升降器
左后门内饰
左后门外饰
右后门钣金件
右后门玻璃及其构件
右后门金属构件
右后门车窗升降器
右后门内饰
右后门外饰
座椅
驾驶员座椅
驾驶员座椅头枕
副驾驶员座椅
副驾驶员座椅头枕
后排座椅
后排座椅头枕
控制台
中央控制台
仪表台
仪表台出风口
仪表台线束
组合开关
中控显示屏
雨刷系统
雨刷系统
雨刮连动杆
雨刮片
雨刮喷嘴
空调系统
空调压缩机
空调压缩机支架
空调滤清器
空调滤芯
空调控制面板
空调控制器
空调放大器
空调皮带轮
空调压力开关
空调管
其他空调附件
行李箱及尾门
举升车门钣金件
举升车门玻璃及其构件
举升车门金属构件
举升车门内饰
举升车门外饰
后行李箱及行李箱盖
后挡风玻璃
尾门
尾门锁
车身顶部
汽车天窗
天窗玻璃
天窗电机
车顶
车顶盖
侧滑动门及其构件
侧滑动门玻璃及其构件
侧滑动门门钣金件
侧滑动门金属构件
侧滑动门内饰
侧滑动门外饰
暖风设备
蒸发器
冷凝器
储液干燥器
集液器
膨胀阀
风箱总成
鼓风机
暖风电机
暖风散热器
暖风水管
出风管
模式风门
加热器单元
加热器芯
车身构件
车壳
面罩
后围
驾驶室总成
地板
地毯
卧铺
安全气囊
汽车安全带
副驾驶储物箱
挡泥板
其他附件
客车侧窗及附件
燃油箱门
行李箱/架
举升油缸
货箱
倾卸机构
电器照明
日间行车灯
大灯
转向灯
雾灯
室内灯
装饰灯
电器电子
传感器
日间行车灯
左前日间行车灯
右前日间行车灯
大灯
左前大灯
右前大灯
转向灯
右前转向灯
左前转向灯
雾灯
左前雾灯
右前雾灯
左后雾灯
右后雾灯
室内灯
照明灯
装饰灯
装饰灯
尾灯
角灯
边灯
保险杠灯
刹车灯
倒车灯
牌照灯
电器电子
摄像头
开关类
电机类
汽车线束
汽车喇叭
电脑模块
控制器配电盒
电磁阀
继电器
电子元件
其他电器
传感器
温度传感器
压力传感器
速度传感器
水位传感器
液量传感器
氧传感器
曲轴传感器
爆震传感器
油压传感器
相位传感器
转速传感器
里程表传感器
光线传感器
凸轮轴传感器
空气流量传感器
气体浓度传感器
位置与角度传感器
泊车辅助传感器
其他传感器
制动系统
制动构件
空气压缩机
刹车系
制动阀
其他附件
制动构件
制动器总成
制动鼓
制动钳
制动蹄
制动总泵
制动分泵
制动助力器
制动凸轮轴
制动气室总成
制动底板
制动压力调节器
制动管路
制动气室活塞
空气压缩机
空气压缩机总成
刹车系
前刹车片
前刹车盘
刹车鼓
后刹车片
后刹车盘
制动阀
卸载阀
手控阀
感载阀
继动阀
四回路保护阀
调压阀
其他附件
储能器
驻车制动器
手制动拉杆
真空助力器
空气干燥类
贮气筒
ABS制动系统
ABS泵
ESP泵
转向系统
转向构件
转向杆
转向节
方向盘
其他附件
转向构件
转向机总成
转向助力泵
转向油罐
转向传动轴
转向助力油缸
转向传动装置
转向管柱总成
转向柱管支架
转向垂臂
转向杆
转向横拉杆
转向直拉杆
转向连接杆
转向节
转向节总成
转向节臂
转向节球笼
方向盘
方向盘总成
方向盘锁
其他附件
随动器
主销及球头销
传动系统
变速箱
离合器
万向传动装置
主减速器
传动构件
变速箱
变速箱总成
变速箱齿轮及轴
变速箱油泵
变速箱壳体
变速箱顶盖
变速箱上盖
变速箱滤清器
离合器
离合器总成
离合器片
离合器压盘
离合器壳
离合器总泵
离合器分泵
离合器拔叉
离合器分离轴承
离合器踏板
离合器拉线
万向传动装置
万向节
传动轴
中间支承
主减速器
分动器
开关/阀
控制器
纵轴
差速器
半轴
传动构件
操纵机构
变速杆
取力器
液力耦合器
液力变矩器
同步器
其他附件
行走系统
车桥
车轮和轮胎
悬架系统
齿轴
减震器
车架/车厢
弹簧/梁
其他附件
车桥
前桥及壳体
中桥及壳体
后桥及壳体
车轮和轮胎
轮毂
轮辋
轮胎
轮胎螺栓螺母
轮胎压力控制系统
备胎
备胎架
悬架系统
左前悬架系统
右前悬架系统
左后悬架系统
右后悬架系统
齿轴
盆角齿
半轴齿
行星齿
十字轴
贯通轴
平衡轴及支架
平衡轴衬套
轮毂轴头
减震器
前减震器总成
减震器防尘套
减震器弹簧
后减震器总成
前减震器
后减震器
车架/车厢
车架总成
副车架
车厢及附件
弹簧/梁
钢板弹簧及支架
气体弹簧
横梁
纵梁
中央脊梁
连接梁
元宝梁
其他附件
脱钩
挂钩
角撑
加强撑
横向稳定器
蓄电池托架
U型螺栓
主从动惰轮
钢圈
汽车用品
美容清洗
养护用品
汽车装饰
车载电器
安全防盗
影音导航
油品及化学品
美容清洗
汽车贴膜
海绵
蜡掸
洗车水枪
擦车巾
洗车器
补漆笔
轮胎釉
轮胎泡沫剂
封釉
车蜡
镀膜
油漆
其他美容清洗用品
养护用品
防冻液
玻璃水
雨刷精
冷却液
添加剂
清洗剂
堵漏剂
荧光剂
制冷剂
保护剂
除锈剂
降凝剂
其他养护用品
汽车装饰
坐垫座套
脚垫
车载支架
汽车香水
头枕腰靠
车内除味
车载电器
车载充电器
车载冰箱
车载净化器
安全防盗
行车记录仪
安全预警仪
GPS定位
胎压监测
倒车雷达
HUD抬头显示
影音导航
车载MP3
汽车音箱
后视镜导航
车载导航
便携式导航
油品及化学品
汽机油
柴机油
自动变速器油
刹车油
齿轮油
分动器油
助力转向油
液压油
润滑脂
液力传动油
排挡液
其他油品
汽保工具
检测设备
维修设备
轮胎维护设备
保养用品
保养设备
汽修工具
检测设备
检测仪
检漏仪
试验台
四轮定位仪
检测台
诊断仪
制动台
分析仪
内窥镜
解码器
维修设备
举升机
校正仪
平衡机
烤漆房
整形机
焊接设备
烤漆机
轮胎维护设备
拆胎机
补胎机
硫化机
轮胎充氮机
保养用品
修复剂
化工试剂
轮胎上光剂
修补漆
空气清新剂
抗腐剂
防锈剂
保养设备
打蜡机
充电机
抽注油机
抛光机
吸水机
清洗设备
喷枪
空调加注机
泡沫机
喷雾器
车用吸尘器
擦布麂皮
底盘装甲
汽车静电消除器
汽修工具
扳手
钳子
起子
其他汽修工具
首页
产品
公司
VIN查询
首页
>
>
排气管中段
prev
next
收藏
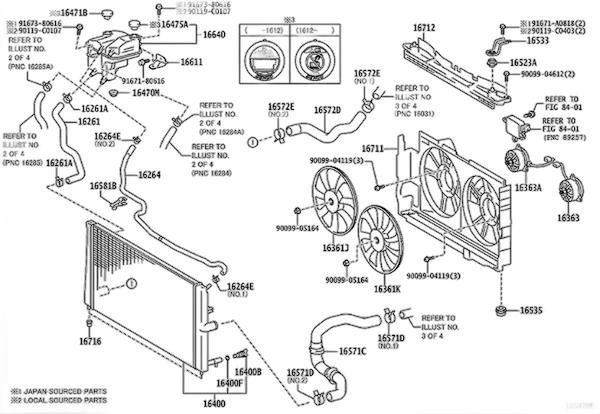
排气管中段
品牌:丰田
原厂OE:
174300T280
价格:
¥
330.00
品质:
拆车件
车型:
采购量:
(单位:件)
有货
发货地区:
配送至 美国
运费:20元
服务承诺
厂家直供
品质保证
1. 五分钟前,用户172****2321发起了询价
2. 五分钟前,用户172****2321发起了询价
3. 五分钟前,用户172****2321发起了询价
4. 五分钟前,用户172****2321发起了询价
猜你喜欢
1/2
水阀门
OE:64118369805
¥
121.00
前刹车片(套)
OE:10432218
¥
110.00
汽油过滤器滤芯标准密封
OE:52100283AC
¥
35.00
发动机节温器
OE:A2712000315
¥
138.00
发动机温控器
OE:A6542000115
¥
182.00
倒车镜转向灯(左)
OE:A0999067101
¥
72.00
杭州车联汽配有限公司
联系人:刘女士
电话:0571-56565366
在线客服:
点我联系
0571-56565366
邮箱:1135202118@qq.com
QQ:
微信:
地址:拱墅区石祥路560号
评分:
5
人气:
166
进入店铺
收藏店铺
产品搜索
关键字
搜索
配件详情
配件信息
OE:174300T280
商品详情
适配车型
品牌
车系
车型
年款
排量
价格
操作
热门商品
排气管中段
OE:174300T280
¥
330.00
2号涡轮增压器水软管
OE:162850Y060
¥
55.00
散热器进水管
OE:165710Y260
¥
55.00
左前轮辋
OE:4261102E70
¥
330.00
右前轮辋
OE:4261102B90
¥
330.00
氧传感器(后)
OE:8946502410
¥
66.00
氧传感器(前)
OE:8946702120
¥
220.00
排气管(后段)
OE:174300T430
¥
440.00
行李箱侧装饰板(右)
OE:6471002371C0
¥
330.00
后叶子板(左)
OE:41217204487
¥
1650.00
首页
车型库
车型库专业版
所有API
关于
关于极速
联系我们
公司荣誉
隐私条款
联系我们
0571-56565366
邮箱:kf@jisuepc.com
联系客服
联系技术
微信公众号
极速车服
微信小程序
极速车服EPC
微信群
极速车联①群
© 2025 杭州极速车联科技有限公司 版权所有
浙ICP备20026491号-3
浙公网安备33010502006067号