配件详情
配件信息
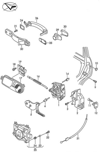
OE:95855542000
商品详情
适配车型
| 品牌 | 车系 | 车型 | 年款 | 排量 | 价格 | 操作 |
|---|
热门商品
-

装饰条(保时捷Cayenne/Cayenne新能源)OE:95855542000
¥ 132.00 -

前门玻璃(左)OE:57D845021
¥ 80.00 -

遮阳帘右侧侧门(奔驰S级/S级AMG,Lorinser S级,巴博斯 S级,卡尔森 S级)OE:A2218100620
¥ 594.00 -

后门锁总成(右)OE:3D4839016R
¥ 396.00 -

前门壳(右)OE:A2307200605
¥ 1320.00 -

天窗玻璃(奔驰SL级\SL级AMG)OE:A2307901840
¥ 2772.00 -

前叶子板(右)OE:A2308800218
¥ 1030.00 -

前罩板顶部隔栅OE:A2308300013
¥ 330.00 -

制动主缸OE:7L0611019E
¥ 476.00 -

后保险杠骨架OE:A2306100320
¥ 396.00
水阀门 








