配件详情
配件信息
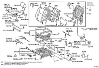
OE:5Q1953521AS
商品详情
适配车型
| 品牌 | 车系 | 车型 | 年款 | 排量 | 价格 | 操作 |
|---|
热门商品
-

组合开关OE:5Q1953521AS
¥ 238.00 -

右后车门OE:6700306141
¥ 396.00 -

发动机装饰罩OE:1120931040
¥ 198.00 -

后车门OE:6700406141
¥ 330.00 -

气囊卷簧OE:5Q0953549D
¥ 385.00 -

前大灯光束高度调整ECU总成6OE:8996033270
¥ 278.00 -

凯美瑞 左前座椅弹簧总成OE:7162006151
¥ 528.00 -

组合开关OE:34D953513J
¥ 143.00 -

凯美瑞 右前座椅弹簧总成OE:7161006141
¥ 440.00 -

前大灯(右)OE:8111006403
¥ 528.00
水阀门 














